Описание
Радиальный вентилятор ВР-300-45-3,15 2,2 кВт/1500 об/мин ЛО общего назначения
- Среднего давления
- Встроенные термодатчики
- Корпус из оцинкованной стали
- Направление вращения - правое и левое
Радиальные вентиляторы общего назначения применяются в стационарных системах вентиляции, кондиционирования, воздушного отопления, технологических установках и т.д.
Они предназначены для перемещения невзрывоопасных газовых сред с температурой не выше 80 С для обычного исполнения (до 200 С для теплостойкого исполнения Ж2), содержащих твердые примеси не более 0,1 г/м3, не содержащих липких веществ и волокнистых материалов.
Гарантийный срок эксплуатации - 18 месяцевВАРИАНТЫ ИЗГОТОВЛЕНИЯТип Ед.измерения 0,37/1000 0,55/1000 0,75/1000 1,5/1500 2,2/1500 Напряжение/Частота В/50 Гц 380 380 380 380 380 Фазность ~ 3 3 3 3 3 Потребляемая мощность кВт 0,37 0,55 0,75 1,5 2,2 Частота вращения мин-1 920 920 920 1410 1420 Ток А 1,2 1,4 2,3 3,6 5,2 Производительность тыс. м3/час 1,40-1,80 1,80-2,80 2,80-3,50 2,20-3,90 3,90-5,20 Полное давление Па 300-350 350-375 375-350 720-900 900-800 Макс.температура перемещения воздуха С 80 80 80 80 80 Класс защиты двигателя - Ip54 Ip54 Ip54 Ip54 Ip54 Тип термозащиты Встр.тд Встр.тд Встр.тд Встр.тд Встр.тд Электронное реле защиты двигателя позисторное ТР 220 РТС ТР 220 РТС ТР 220 РТС ТР 220 РТС ТР 220 РТС Регулятор скорости, электронный частотный РМТ 75380 РМТ 75380 РМТ 75380 РМТ 15380 РМТ 22380 Вес кг 27 29 30 33 37 Вставки гибкие (315 мм) - В.00.05 В.00.05 В.00.05 В.00.05 В.00.05 Вставки гибкие (221х221 мм) - Н.00.007 Н.00.007 Н.00.007 Н.00.007 Н.00.007 Виброизоляторы - ДО 39 ДО 39 ДО 39 ДО 39 ДО 39 -
- Общего назначения из оцинкованной или углеродистой стали
- Общего назначения теплостойкие из оцинкованной или углеродистой стали "Ж2"
- Коррозионностойкие из нержавеющей стали "К1"
- Коррозионностойкие теплостойкие из нержавеющей стали "К1Ж2"
- Взрывозащищенные из разнородных металлов "В1"
- Взрывозащищенные теплостойкие из разнородных металлов "В1Ж2"
- Взрывозащищенные из алюминиевых сплавов "В2"
- Взрывозащищенные коррозионностойкие из нержавеющей стали "ВК1"
- Взрывозащищенные коррозионностойкие теплостойкие из нержавеющей стали "ВК1Ж2"АКУСТИЧЕСКИЕ ХАРАКТЕРИСТИКИ
n, мин-1 Гц Октавные полосы частот, Гц Общ. 63 125 250 500 1К 2К 4К 8К 920 LpA, дБ(А) 83 74 74 76 82 69 66 59 56 1400 LpA, дБ(А) 92 79 79 83 85 91 78 75 68
Характеристики
Максимальная производительность, м³/час
5200
Частота вращения, об./мин.
1420
Производитель
Неватом
Гарантия, месяцев
18
Напряжение, В
380V
Вес, кг
37
Материал корпуса
Оцинкованная сталь
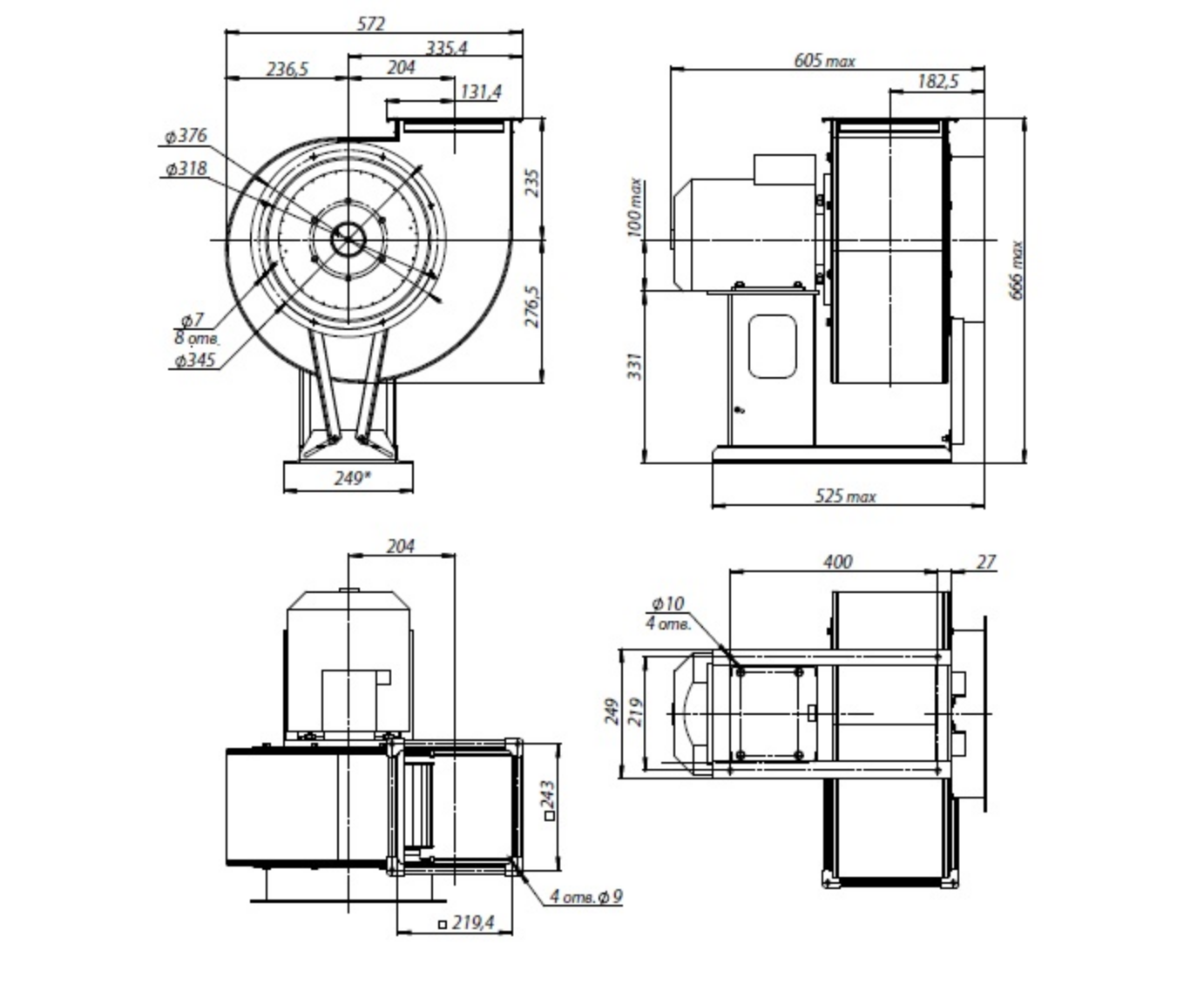
Размеры
605x666x572
Входной диаметр, мм
315
Минимальная производительность, м³/час
3900
Минимальное давление, Па
800
Максимальное давление, Па
900
Рабочая температура, °С
+80°С
Материал крыльчатки
Оцинкованная сталь
Направление вращения
Левое
Вы смотрели
Остались вопрос? Напишите нам!
